Beautiful Plants For Your Interior
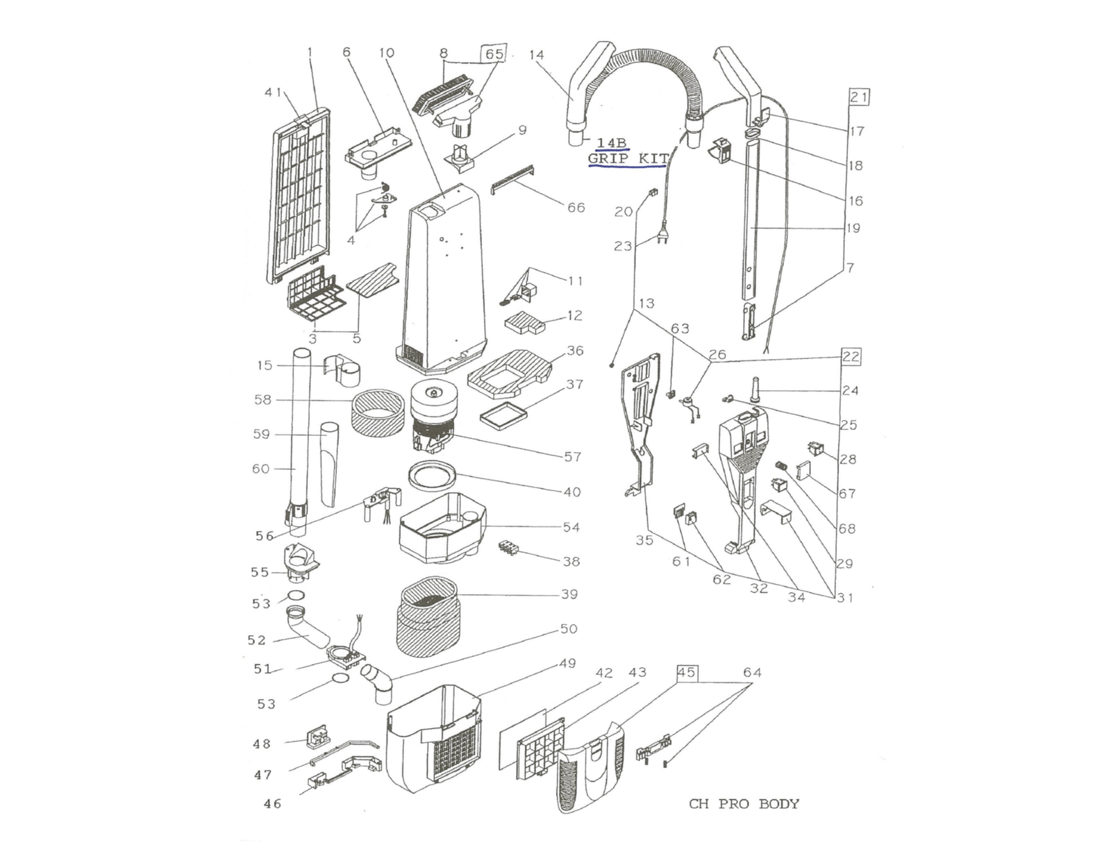
Lindhaus CH Pro Vacuum Body Parts
31. LOWER CORD HOOK MEDIUM GREY – 001880105 32. Handle Cover Without Electronic – 086610281 34. Comb Wire Holder – 00198030635. Frame Handle – 001900201 36. Filter, Foam Upper – 01020001638. Terminal Block 4 Poles – 02079040040. Motor Gasket – 00021030841. Bag Door Latch + Spring – 082720281 42. Exhaust Microfilter (12 Pack) – 085350081 43. Exhaust Grill45. Front Grill [includes #64 Bottom Cover Kit] – 08363228146. Blocking Joint Pin Support – 00398013347. Joint Pin Blocking – 010840009 48. Control Pin Slide – 00150010549 . Vacuum Motor Housing – 003960233 50. Lower Curve – 00176033151. Curve Support 3 Wires – 084610080 52. Upper Curve – 001750331 54. Inner Vacuum Motor Housing – 084620181 55. Hose Inlet – 003970133 56 . Motor Clamp Without Electronic 4 Wires – 08350008057. Vacuum Motor R26apss (He) V.120/60 W.750 – 051350080 58. Filter, Foam Motor – 01022001660. Telescopic Wand (D.38mm 1-1/2″) – 03055030061. Contact Housing Cover – 00248000362. 4 Contact Housing – 00240000363. Vacuum Sensor Adaptor – 00323000164. Botton Cover Kit (1 Pc) – 08444018165. Upholstery Tool With Natural Bristle [complete] (D.38mm 1-1/2″) [standard] – 03111030066. Upholstery Tool, Black Center Strip Brush [only] – 030740300 67. Button Dark Grey – 00520010168. Handle Spring – 012980009 1. Bag Housing Cover – 080170281 3.Filter Holder – 0001603044. Safety Support Kit (4 Pcs) – 084580081 6. Bag Entrance With Safety Support – 084370081 7. Button+support+spring 2 Position – 084520081 5. Lindhaus CH Pro Filter, Internal Foam – 0114103168. Upholstery Tool, Natural Bristle Brush [only] – 0309003009. Dust Brush Support – 001830205 10. Bag Housing Complete / Old Motor – 08319028111. Relief Valve Kit (2 Pcs) – 08079008112. Valve Filter – 01105001613. O-ring – 010260307 14. Extension Hose With Handle Grip (D.38mm 1-1/2″) [standard] – 08667038115. Wand / Crevice Tool Clip – 002730104 16. Upper Hose Hook For Flexible Hose – 001950110 17. Handle Grip (Only) – 080770181 18. Retainer – 002870105 19. Chromate Tube – 2 Position With Button Lock – 08459008120. Cord Clip (Cord To Cord) – 00168030421. Handle Tube Assembly 2 Position [complete] – 08441018122. Electric System Assembly / 3-way Switch – 083492280 23. Cord 3×18 12.5 Mt. Usa Plug Yellow (3 Prong / 41 Ft) – 02248002024. Strain Relief V.100/120 D.8 – 01083030725. Cord Clamp – 00007030526. Vacuum Sensor – 02134000028. Main Switch 15A 3 Way – 02105030029. Indicator Light – 020020000 Filters Sort results
Reset Apply
Image | Name | Description | Price | Quantity | Add to cart |
|---|---|---|---|---|---|
Bag Housing Cover – 080170281 | $36.80 | ||||
Filter Holder – 000160304 | $5.40 | ||||
Safety Support Kit (4 Pcs) – 084580081 | $12.00 | ||||
Bag Entrance With Safety Support – 084370081 | $55.40 | ||||
Button+support+spring 2 Position – 084520081 | $7.40 | ||||
Upholstery Tool, Natural Bristle Brush [only] – 030900300 | $7.20 | ||||
Dust Brush Support – 001830205 | $4.20 | ||||
Relief Valve Kit (2 Pcs) – 080790081 | $12.20 | ||||
Valve Filter – 011050016 | $1.80 | ||||
O-ring – 010260307 | $0.80 | ||||
Wand / Crevice Tool Clip – 002730104 | $14.80 | ||||
Upper Hose Hook For Flexible Hose – 001950110 | $12.20 | ||||
Lindhaus CH Pro Handle Grip (Only) – 080770181 | $17.95 | ||||
Retainer – 002870105 | $2.20 | ||||
Chromate Tube – 2 Position With Button Lock – 084590081 | $31.60 | ||||
Cord Clip (Cord To Cord) – 001680304 | $0.80 | ||||
Handle Tube Assembly 2 Position [complete] – 084410181 | $57.00 | ||||
Electric System Assembly / 3-way Switch – 083492280 | $75.90 | ||||
Cord 3×18 12.5 Mt. Usa Plug Yellow (3 Prong / 41 Ft) – 022480020 | $81.60 | ||||
Strain Relief V.100/120 D.8 – 010830307 | $5.00 | ||||
Cord Clamp – 000070305 | $1.00 | ||||
Vacuum Sensor – 021340000 | $23.80 | ||||
Main Switch 15A 3 Way – 021050300 | $12.40 | ||||
Indicator Light – 020020000 | $8.00 | ||||
Lower Cord Hook Medium Grey – 001880105 | $6.20 | ||||
Handle Cover Without Electronic – 086610281 | $42.60 | ||||
Comb Wire Holder | $1.60 | ||||
Frame Handle | $30.20 | ||||
Filter, Foam Upper | $2.60 | ||||
Terminal Block 4 Poles – 020790400 | $3.20 | ||||
Motor Gasket – 000210308 | $14.60 | ||||
Bag Door Latch + Spring | $6.20 | ||||
Exhaust Grill | $5.18 | ||||
Front Grill [includes #64 Bottom Cover Kit] – 083632281 | $25.68 | ||||
Lindhaus CH Pro Blocking Joint Pin Support – 003980133 | $3.11 | ||||
Joint Pin Blocking – 010840009 | $7.51 | ||||
Control Pin Slide – 001500105 | $4.97 | ||||
Vacuum Motor Housing – 003960233 | $33.66 | ||||
Lower Curve – 001760331 | $2.77 | ||||
Curve Support 3 Wires – 084610080 | $8.47 | ||||
Upper Curve – 001750331 | $2.77 | ||||
Inner Vacuum Motor Housing – 084620181 | $27.89 | ||||
Hose Inlet – 003970133 | $7.26 | ||||
56 . Motor Clamp Without Electronic 4 Wires – 083500080 | $11.65 | ||||
Filter, Foam Motor – 010220016 | $1.29 | ||||
Crevice Tool (D.38mm 1-1/2-inch) – 030060310 | $1.90 | ||||
Telescopic Wand (D.38mm 1-1/2-inch) – 030550300 | $11.99 | ||||
Contact Housing Cover – 002480003 | $0.93 | ||||
4 Contact Housing – 002400003 | $0.93 | ||||
Vacuum Sensor Adaptor – 003230001 | $0.26 |
12

